best tracker

Toyota Corolla E10 Manual Pdf

Toyota Corolla

Bosch Aero Twin Toyota Corolla E11 Manual

Toyota Corolla 1955

Toyota Corolla Stv 4x4 For Sale Retrade Offers Used Machines

Reparaturhandbuch Toyota Corolla E12

Nissan Wingroad Y11 Service Manual Pdf

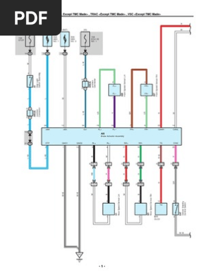
2009 2010 Toyota Corolla Electrical Wiring Diagrams Anti Lock

Haynes Corolla E12 Manual

How To Change Manual Transmission Fluid Toyota Corolla

Toyota Corolla 1100 Owner S Manual First Gen E10 Ke10 1966 1967

Used Toyota Corolla For Sale Near Me Cars Com

Workshop Manuals General Information Wiring Diagrams Sq

Toyota Corolla The Reader Wiki Reader View Of Wikipedia

Saab 900 Service Repair Manual Download Info Service Manuals

Toyota Corolla Repair Manual Overhaul Front Shock Absorber With

Subscribe to receive free email updates:

0 Response to "Toyota Corolla E10 Manual Pdf"

Posting Komentar